灑水車專用蝶閥_D71X-10/16手柄蝶閥_對夾蝶閥_手動對夾式蝶閥
灑水車專用蝶閥_D71X-10/16手柄蝶閥_對夾蝶閥_手動對夾式蝶閥

灑水車專用蝶閥廠家直銷電話:159-7276-7978
此閥尺寸小,重量輕,可在各種介質管道中作為截斷、調節流量的設備。通過選用不同材質的閥板和密封座,以及板、軸通過無銷連接可用于更惡劣的工況,如脫硫、真空、海水淡化系統等。凸耳對夾式蝶閥可實現閥門的下游管線及設備在線修復,并且該閥可實現閥門的下游管線及設備在線修復,并且該閥可安裝在管端作為排氣閥使用。
此閥適用在石油、化工、食品、醫藥、造紙、水電、船舶、給排水、冶煉、能源等系統管路上,可在多種腐蝕性、非腐蝕性的氣體、液體、半流體以及固體粉末管和容器上作為調節和截流設備使用。

設計規范:GB/T 12238
結構長度:GB/T 12221
法蘭連接:GB/T 9113
試驗與檢驗:GB/T 13927

零件名稱和材料:
閥體:鑄鐵 球墨鑄鐵 鑄鋼
蝶板:鑄鐵 球墨鑄鐵 尼龍涂層板 襯膠板 CF8 CF8M 2507 1.4529
密封圈:丁晴橡膠(NBR) 三元乙丙橡膠(EPDM) 聚四氟乙烯(PTFE)
閥桿:45# 1Cr13
填料:O型圈 柔性石墨

1、小型輕便,容易拆裝及維修,并可在任意位置上安裝。
2、結構簡單、緊湊、90°運轉啟閉迅速。
3、操作扭矩小,省力輕巧。
4、達到完全密封,氣體試驗泄露為零。
5、選擇不同零部件材質,可適用多種介質。
6、流量特性趨于直線,調節性能好。
7、啟閉試驗次數多達數萬次、壽命長。
8、凡使用閘閥、截止閥、旋塞、膠管閥及隔膜閥的管路,均可用該閥替換,訂貨時該閥加帶副管供貨即可(請在合同中注明)。
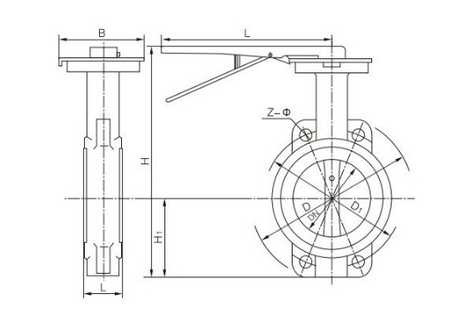
手動對夾式蝶閥尺寸參數:


灑水車專用蝶閥廠家直銷電話:159-7276-7978


